admin
2021-02-20 14:29:25
万达集团首选的新风向 蜂鸟云商铺可视化管理系统
本月,蜂鸟云中标万达集团商管铺位可视化系统项目,今后将支撑万达集团筹备期、营运期的200多家万达广场构建店铺三维室内地图、业务系统可视化系统。通过深度调研万达集团核心业务流程和需求,蜂鸟云将利用自身可视化领域的技术优势,为万达集团精心打造业界领先的集可视化展示、大数据分析、数据信息共享等功能的可视化体系。
万达集团
蜂鸟云
传统方式
传统商铺租赁管理主要通过表格形式管理,但效果并不直观,也不便于检索,铺位的变增、变动等更新维护手段比较繁琐,不利于管理者掌握全局以及局部铺位使用情况和变动的情况,制约了铺位的管理和利用效率。

传统铺位平面图
广场一张图
蜂鸟云平台发现社会需求,并致力于开发建筑内部的地图可视化系统,其中商铺管理转型是最重要的内容之一。将建筑图纸及电子文档进行数字化转变,建立所有单位的大数据库,形成全国广场分布图。该分布图,集成大数据列表,制作成为可便于宏观体现的可视化功能图。
蜂鸟云为万达集团构建全国万达广场总图——广场一张图。广场一张图是汇集广场级别的空间信息和业务信息的总览,可浏览、查询各个广场分布的相关信息,同时也是室内铺位地图的入口。
包括三个模块:
广场租赁信息浏览 — 店铺信息经过数据对接、统计分析,保证店铺信息的实时性与真正性,并可通过多种信息进行展现和检索。
广场信息专题图 — 为广场地图构建不同数据维度的专题信息图,并支持宏观的信息展示和辅助决策。使房产信息更加数字化,呈现效果更直观。
广场地图管理 — 完成广场地图的创建与广场信息的添加,并支撑店铺地图的分级管理,关联数据权限。
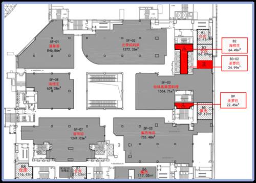
铺位专项图可视化
面对分布范围广、流动性高的个体、商铺同样需要建设统一化的管理体系。蜂鸟云,将分散的铺位租赁信息集中展现,形成一个信息准确、查询快捷、管理高效的铺位专项图。
由蜂鸟云自主开发的室内三维地图引擎,是铺位专项图的技术核心。基于其强大又多面的功能,可快捷、轻松制成铺位专项图,针对不同时期满足不同的需求。
铺位专项图提升可视化的维度、提高信息的维护效率、扩大信息共享的范围,从实际上解决传统专项图中系统共享、移动共享的困难。

筹备期专项图 — 规划筹备时期房产的业态分布情况、与品牌分布情况。
营运期专项图 — 品牌签约情况、铺位租赁情况、招商调整情况、铺位欠缴费情况。
专项图信息动态更新 — 对接租赁系统、关联专项图数据,实时获取数据、动态更新专项图。
专项图共享 — 支持移动专项图、支持各种平台集成展示。
系统使信息传递更加实时、高效,减少租赁房和承租方在“直接对话”的过程中,所产生的人力成本和时间成本,使双方信息传递更加快速、方便、智能。使商业管理更加直观、有效,辅助管理者对商业管理层面优化决策。

基于蜂鸟云完备、多样的技术,蜂鸟云还会开发其他可视化管理方案,比如
热力图
品牌落位图
三维精模
铺位地图编辑
为了铺位专项图的信息实时性、准确性,蜂鸟云同时为其运用了,目前行业领先且唯一的地图编辑工具。该工具拥有地图全要素可视化编辑技术,可使个体实时编辑铺位信息,帮助万达集团实现管理分化,减少管理层面的时间成本、人力成本、及沟通成本。
其中包括:
地图业务数据绑定 — 基于蜂鸟数据团队自主积累的工艺标准与规格为项目定制设计数据标准与规格。
地图主题编辑 — 地图全要素编辑,专业地图生产与维护,同时,编辑器功能生产规范,容错率高。
地图预览与发布 — 数据生产维护流程支撑各类数据可视化展示,对外提供地图、专项图数据共享。

可视化系统
蜂鸟云的可视化管理系统是将室内信息数据,与LBS(Location Based Service,基于移动位置服务)模块相结合,对室内空间信息进行三维建模,建立一套数据可视化、地理信息可视化、室内地图可视化、地图专题可视化、空间统计分析可视化等技术的综合可视化管理与展示的体系系统,目的是为了帮助房产管理者,更加高效的管理建筑内部。
蜂鸟云专注于室内空间可视化技术研发及应用,基于可视化技术构建的系统,应用广泛,效果突出。可视化系统在商业楼宇的运用只是冰山一角,包括智慧校园、智慧医院、智慧政务机构、智慧消防、智慧安防等,皆可提供可视化系统的解决方案。
开发可视化管理系统的初衷,是观察到在物联网时代下,传统行业在寻找转型之机。蜂鸟云作为国内三维地图云平台和可视化智能管理系统的供应商,寻求与有志之士的更多合作,共同打造智慧城市。

行业应用
公司动态
行业新闻
行业应用
行业新闻